Крыша из профнастила

Профилированный лист, или профнастил – это строительный материал, применяемый для облицовки стен, крыш или ограждений. Все виды профнастила маркируют по типу. Для крыши подойдет профнастил марки Н или НС.
Профнастил для крыши: как выбрать размер листа
Оцинкованные штампованные листы легкие, хорошо гнутся. Они идеально подойдут для настила на любую крышу. Листами можно покрывать не только жилые дома, но и хозяйственные постройки. Для настила крыши используют профнастил с маркировкой Н с высотой волны (гофры) 44 миллиметра и больше. Также можно использовать универсальное покрытие с маркировкой НС, имеющее высоту волны от 35 миллиметров. Как правило, длина кровельного профнастила не превышает 4-х метров. Длина выпускаемого металлопрофиля бывает различной, так как его изготавливают из рулонной стали. При расчете необходимой длины профнастила для крыши необходимо знать ряд параметров:
- длину ската крыши;
- длину свеса козырька.

Ширина листа профнастила может составлять от 902 до 1850 миллиметров. Так как монтаж необходимо осуществлять внахлест, то при расчете количества листов следует учесть ширину нахлеста. Обычно она составляет 4-8 сантиметров. При выборе профнастила на крышу необходимо обратить внимание на толщину самого листа – она может составлять от 0,5 до 1 миллиметра. Чем толще лист, тем большую нагрузку он сможет выдержать в процессе эксплуатации. Высотой профнастила считают расстояние между двумя волнами. Чем больше это расстояние, тем большую площадь можно покрыть. Стандартная высота гофры зависит от рисунка изгибов и может составлять от 15 до 130 миллиметров. Для крыши больше подойдут объемные листы профнастила.
Крыши из профнастила: фото
Для покрытия крыш используют кровельный профнастил марок Н60, Н75 и НС35. Кровельный материал выпускается как с полимерным покрытием, так и без.
- Оцинкованный лист без полимерного покрытия используется при установке заборов, навесов, укладке перекрытий, для покрытия крыш.
- Профнастил из черного металла подвержен коррозии, нуждается в покраске. Для кровельных работ используется редко.
- Профнастил из меди или алюминия имеет высокие эксплуатационные характеристики, высокую прочность.
- Профнастил из стального листа с полимерным покрытием долговечен, само покрытие может иметь различный цвет.
Покрытия из профнастила имеют свои достоинства и недостатки.

Достоинства:
- прочность и долговечность;
- пожаробезопасность и устойчивость к коррозии;
- высокий уровень герметизации;
- ценовая доступность;
разнообразная цветовая гамма, большой выбор форм.
Недостатки:
- низкая звукоизоляция;
- склонность к скоплению конденсата.
Что надо знать при покупке профнастила на крышу
Чтобы правильно выбрать материал, следует учитывать:
- длину и толщину листа, высоту гофры;
- оцинкован ли материал;
- наличие полимерного покрытия;
- маркировку.
При покупке профнастила необходимо обратить внимание на качество материала и покрытия.
- Поверхность профнастила не должна иметь трещин, шероховатостей. При сгибании лист должен держать форму, сохранять целостность.
- Длина листов профнастила должна быть равна длине скатов.
- Оцинкованный профнастил с полимерным покрытием имеет большой эксплуатационный срок службы.

Профнастил обладает множеством преимуществ перед другими кровельными материалами и отвечает всем критериям качества и безопасности. Большой выбор цветов, форм и размеров дает возможность воплотить любые дизайнерские идеи. При небольших финансовых вложениях вы получаете качественный, легкий в монтаже, долговечный и прочный материал.
banyabest.ru
Крыша из профнастила своими руками или как правильно крыть крышу профнастилом
Если вашему дому требуется кровля, имеющая привлекательный и изысканный вид при сравнительно низкой стоимости, крыша из профнастила — холоднокатанного оцинкованного стального листа с покрытием из цветных полимерных материалов — это то, что вам нужно.
Преимущества профилированного стального листа:
- отличные эксплуатационные качества: устойчивость к воздействию атмосферных факторов, солнечному излучению, механическая прочность, стойкость к коррозии,
- низкий удельный вес (от 5,5 до 9,5 кг/м2), поэтому низкая нагрузка на стропильные системы и обрешетку,
- кровельный материал можно подобрать по фактуре и цвету под дизайн здания,
- сравнительно низкая цена при высоких эстетических качествах.
Какой профнастил пригоден для крыши
Любая из марок профнастила (универсальный, несущий или стеновой) подойдет для кровли, но для укладки тонкого стенового материала потребуется почти сплошная обрешетка. Для обычной обрешетки с шагом 65–100 см предпочтительнее использовать более прочный и жесткий профлист. Наиболее часто применяют материал с такими показателями:
- марка Н или НС (несущий и универсальный),
- толщина профлиста от 0,5 до 0,7 мм (прочный и легкий одновременно),
- высота гофры 20–75 мм (обеспечивает возможность упругой деформации кровли),
- наличие капиллярной водоотводной канавки,
- цвет покрытия, подходящий под существующий или проектируемый экстерьер дома.
Цена на профнастил зависит от нескольких показателей материала.
Что нужно, чтобы покрыть крышу профнастилом своими руками
Простую односкатную или двускатную крышу дачного домика, летней кухни или гаража самостоятельно покрыть не составит большого труда с одним-двумя помощниками и некоторыми навыками работы с шуруповертом и электролобзиком. Ломаная двускатная крыша дома с мансардой тоже будет под силу для самостоятельной работы. Поможет в этом видео.
Если каркас кровли более сложной конфигурации, следует пригласить опытных специалистов, чтобы перекрыть крышу профнастилом. Цена работы будет зависеть от сложности кровли и площади скатов.
Сколько материала понадобится
Рассчитать количество материала для односкатной или двускатной крыши, зная размеры скатов, не составит труда. Если длина ската 12 м или меньше, нужно ширину ската разделить на ширину материала, полученное число листов увеличить на 15%.
Для более сложных кровель можно произвести расчет профнастила на крышу онлайн по специальным программам. Программы позволяют не только максимально точно определить количество материала, но и просчитают уклон кровли, размеры нахлеста, определят наилучший вариант расположения и крепления профлиста.
Инструменты и крепежные материалы для работы
Для работы потребуются измерительные и режущие инструменты, крепежные материалы:
- рулетка и маркер для измерений и разметки,
- ножницы или электропила (электролобзик) по металлу,
- дрель-шуруповерт для крепления листов на обрешетке,
- лестница и длинные бруски понадобятся для работы и подъема кровельного материала на крышу,
- уплотнительная лента для стыков (следует подобрать к марке),
- специальные кровельные саморезы под цвет профиля,
- стальные шайбы и резиновые или эластомерные прокладки, прилагаемые к саморезам.
Особенности укладки кровли из профлиста
Выполнять работы лучше всего вчетвером, так получится намного быстрее. Два человека тоже могут справиться, а вот в одиночку работать с длинными листами профнастила очень трудно.
- Минимальный угол ската кровли 10о. При меньшей величине угла ската вода может попадать под материал.
- Стандартная длина профлиста 12 м. Если длина ската меньше или больше, листы придется обрезать.
- Чтобы защитить профнастил от коррозии, следует сделать гидроизоляцию и пароизоляцию по обрешетке.
Монтаж обрешетки под профлисты
Важным этапом в монтаже кровли из профнастила является организация гидро- и пароизоляции для защиты металла от коррозии при попадании паров воды.
Делают это двумя способами:
- уложив пароизоляцию на стропила под обрешеткой и гидроизоляцию (рубероид) поверх обрешетки под профнастил;
- организацией вентилируемой кровли, создав вентилируемое пространство между слоем гидроизоляции и кровельным материалом. Для этого вдоль стропильных ног устанавливают по гидроизоляции ложные стропила из брусков, по ним делают обрешетку, получится слоеный пирог: стропила, гидроизоляция, ложные стропила, обрешетка, профлист.
Важно! Все элементы обрешетки обязательно следует пропитать со всех сторон антисептическим составом для дерева. Это продлит срок службы кровли.
Доски обрешетки укладывают с шагом 0,5–1,0 м прикрепляя их гвоздями или саморезами к стропилам. Чем более толстый и прочный профнастил используется, тем большее расстояние между досками обрешетки. Так, например, для профлиста марки СН35 шаг обрешетки 0,5–0,6 м, для СН44 — 0,65–0,75 м. Расстояние больше 1 м между досками делать не следует.
Сделав обрешетку, нужно проверить диагонали ската и выровнять скат по вертикалям, горизонталям, диагоналям. Это значительно облегчит работы по укладке профнастила на обрешетку.
Порядок укладки профнастила своими руками
- Профлисты укладывают, снизу вверх, начиная по скату от торца здания, слева направо или справа налево — все зависит от того, с какой стороны листа изготовитель сделал капиллярную канавку. При укладке материала канавка должна закрываться волной следующего листа.
- Размер нахлеста профлистов по горизонтали и по вертикали зависит от величины угла ската кровли. При небольших величинах угла наклона ската листы кладут с нахлестом в две волны по вертикали, при высоких значениях — в одну или в полволны.
- Нахлест по горизонтали ската не менее 10 см. Первый ряд укладывают с вылетом 30–50 см над свесом (расстояние зависит от конструкции водосточной системы). Стыки между профлистами герметизируют специальной лентой. Лист второго ряда укладывают со смещением по торцу на половину ширины.
Как поднимать листы на крышу
Если работают 2 или больше человек, поднять листы просто. Их укладывают на раму из 5–6 брусков пачками по 5–10 штук и по наклонным доскам, приставленным к обрешетке, затягивают веревкой наверх.
На обрешетку для того чтобы листы не скатывались, прибивают один-два бруска снизу и кладут пачку листов покрытия. Так работать намного удобнее, чем подавать по одному, хотя такой способ тоже применяют.
Как крепить профнастил на крышу правильно
Листы крепят к обрешетке саморезами с шайбами и герметизирующими прокладками. Количество их не более 6–10 штук на 1 кв.м. настила. На скате шурупы ввинчивают в нижние, а на коньке — в верхние волны листа.
Если материал тонкий, шурупы просто вкручивают шуруповертом, они легко проходят насквозь, не повреждая покрытие. На толстых стальных листах в местах крепления их к обрешетке целесообразно сделать предварительно разметку и дрелью просверлить отверстия под саморезы.
Важно! Необходимо точно выровнять и правильно установить самый первый лист, от него будет зависеть качество всей работы.
Первый лист сначала закрепляют посередине одним шурупом и тщательно выравнивают свес от карниза и положение по вертикали обрешетки. После этого его закрепляют вторым шурупом.
К верхним и нижним доскам обрешетки материал крепят, вкручивая саморезы в каждый прогиб волны, в центральные доски — через прогиб.
Второй по высоте ряд кладут со смещением листов вправо или влево на половину ширины. Режут профлист электропилой, ножовкой по металлу или электролобзиком с пилкой по металлу. Делают это на земле.
Внимание! Резать профлист болгаркой нельзя. Это разрушит полимерное покрытие. Для резки следует применить ножницы по металлу, а срезы закрашивать краской.
Горизонтальные стыки также герметизируют лентой. Саморезы на нахлесте ввинчивают в каждое углубление волны. Резиновая уплотнительная шайба должна выступать на 1–2 мм по периметру головки шурупа, это указывает, что она не пережата и не затянута слабо.
Установка конька на профнастил
Коньковые доборные элементы к кровле из профнастила выпускают
- простые в виде согнутого под углом листа с шириной полок до 30 см,
- с полукруглым ребром,
- с П-образным ребром и полками таких же размеров.
Чтобы установить конек на крышу из профнастила, последний ряд листов следует выровнять в верхней части по торцу и уложить в одной горизонтальной плоскости. Порядок установки следующий:
- на край последнего ряда листов укладывают ленту или полосу конькового уплотнителя,
- параллельно оси конька закрепляют бруски,
- к брускам саморезами в верхнюю гофру через 20–30 см прикручивают элементы конька, начиная со стороны, куда чаще всего дует ветер,
- торцы полукруглого конька закрывают специальными заглушками,
- П-образный конек крепят на брусок, который специально устанавливают под него на коньке крыши.
Крыша из профнастила будет радовать вас своей красотой и вызывать чувство гордости отличной работой, выполненной своими руками. Деньги, сэкономленные на этом, можно будет потратить на изготовление оригинального флюгера, который украсит дом.
bouw.ru
Профнастил крыши частного дома
Крыши из профнастила сегодня очень популярны. Но не все потребители знают, что этот кровельный материал имеет достаточно широкую модельную линейку, в которой большое разнообразие листов по форме волны и размерам самого листа. Есть в модельном ряду и так называемые традиционно используемые варианты. О них и поговорим в этой статье.

Марки профнастила
С8
Это стеновой профнастил, который на крышах не устанавливается. Из него можно сделать навес или козырек, по которому ходить запрещается. Но, как это ни странно, эта марка является сегодня лидером продаж и только потому, что из нее сооружаются заборы, облицовываются стены. К тому же это самый дешевый профнастил из всего ряда. Высота его гофры всего лишь 8 мм. Производители предлагают С8 окрашенного типа и покрытого полимерным составом.

С18
Более мощный профнастил, который может быть использован и для покрытия крыш. Некоторые производители специально снабжают листы канавкой для стекания влаги. Это уже говорит о том, что С18 можно устанавливать на кровельные системы. И хотя толщина листа профнастила точно такая же, как у С8, по своим прочностным характеристикам он превосходит его в два раза. К примеру, если под С8 необходима обрешетка через каждые 0,6 м, то для С18 возможен монтаж через каждые 1,0 м.
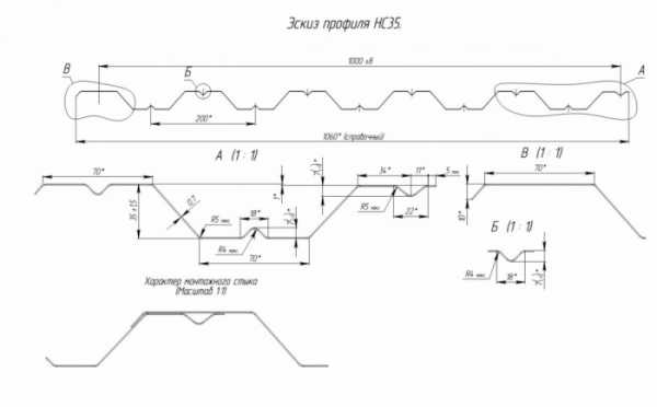
НС35
Универсальный профнастил, который может быть использован в достаточно широкой сфере строительных операций. И все из-за того, что производители обеспечивают его дополнительными ребрами жесткости. Где его можно использовать:
- Для покрытия крыши дома.
- Для сооружения оградительных конструкций.
- Для несъемной опалубки.
- Для создания несущих перекрытий дома.
Толщина оцинкованного листа, применяемого в производстве НС35, варьируется от 0,5 мм до 0,8 мм. И это еще одно доказательство высоких прочностных характеристик профнастила этой марки. Поэтому обрешетка под него монтируется с шагом 1,5 м.

НС44
Усиленная форма с высотою волны в 44 мм. Выдерживает большие нагрузки, прекрасно справляется с толстым слоем снега и сильными порывами ветра. Ходить по такой крыше можно без боязни. В конструкцию входят ребра жесткости размером 7 мм. они прокатываются как по верхней полке волны, так и по нижней.
Н57
Один из лучших профнастилов на сегодняшний день универсальный и высокопрочный, потому что изготавливается не из оцинкованного листа, а из конструкционной стали. В этом, в принципе, и есть немалая проблема. Все дело в том, что заготовки листового железа этой марки выпускают не все металлопрокатные заводы. В основном проблема ширины заготовки, которая должна быть равна 1,1 м. При этом рабочая ширина профнастила Н57 – 750 мм. Эта модель производится по ГОСТ под номером 24045-94.
Производители же выпускают еще одну марку под этим логотипом, только ее ширина превосходит оригинал – 900 мм. Такой профнастил производится уже по ТУ, которые разрабатывает сам завод. При этом производители применяют заготовки из оцинкованной стали. То есть, чисто технические характеристики Н57-900 ниже, чем у Н57-750. Но обе марки могут укладываться на обрешетку с шагом ее элементов до 3 м.

Н60
Здесь так же, как и в предыдущем случае, две позиции:
- Из оцинкованного профиля, изготавливаемого по ГОСТ 52146-2003.
- Из конструкционной стали ГОСТ 24045-94.
Вторая модель сегодня встречается чаще, чем Н57-750, потому что является практичной заменой дефицитного материала. Проблем с ее производством и производителей нет. Этот профнастил может быть использован в любых строительных операциях, где необходим прочный и надежный листовой материал. Шаг обрешетки для крыши дома составляет 3 м.
Н75
На сегодняшний день — это самый ходовой вариант, когда дело касается сооружения построек из металлических листов, а также при строительстве металлических каркасов. Профнастил Н75 выдерживает просто огромные нагрузки. В качестве заготовки для его производства используется только оцинкованный рулонный прокат. На крышах его можно монтировать на обрешетку с шагом 4,5 м. Производители подчеркивают, что в настоящее время это лидер производства, на него приходится почти 35% объема.

Конечно, это не полный список, но именно эти модели профнастила используются чаще остальных. Особенно для частного домостроения.
Как правильно провести монтаж профнастила на крышу
В принципе, сооружение крыши из профнастила – процесс не очень сложный. Главное – правильно подойти к его проведению, не забывая о некоторых хитростях и нюансах. Вот схема и последовательность монтажа.

- Будем считать, что стропильная система установлена и закреплена, на нее нанесена обрешетка. Кстати, в качестве элементов обрешетки надо использовать обрезные или необрезные доски шириною 100 м. Толщина доски может варьироваться в пределах 32-50 мм.
- Если под кровлей будет организовано жилое помещение, то стоит позаботиться об утеплении крыши.
- В первую очередь на крышу дома надо поднять сам профнастил. Вариантов для этого много: от принятия услуг подъемного крана, до поднятия листов своими руками.
- Далее производится раскладка профлистов. Здесь схема такова: с любого угла крыши укладываются в первом нижнем ряду несколько листов, которые выставляются строго параллельно карнизу крыши. Их закрепляют к обрешетке саморезами по углам элементов. Цель – чтобы не было проблем с выравниванием после укладки всех листов. Затем во втором ряду укладываются еще парочка листов, после чего все уложенные профлисты выравниваются по карнизу и между собой, а далее крепятся к обрешетке по всей площади.
- После заполнения всей крыши дома устанавливаются доборные элементы: конек, карнизная планка, фронтальные планки.

Важно! Карнизную планку укладывают под гидроизоляционный слой.
Под конек укладывается сдвоенная обрешетка. Фронтальная планка имеет две формы: с верхним покрытием профнастила и с нижним. Первая используется, если профлисты не выходят за края конструкции кровли, вторые, наоборот, если профнастил вышел за фронт.
Оптимальный вариант покрытия крыши профнастилом, если длина листа будет равна ширине ската кровли. Благо заводские размеры позволяют это сделать, ведь максимальная стандартная длина – 6 м, под заказ можно до 12 м. В процессе монтажа таких листов необходимо очень точно выставлять их по карнизу. Небольшое смещение даже на часть миллиметра может привести к большому перекосу на противоположной стороне крыши. Поэтому рекомендуется сначала выставить уровень установки с использованием прочной нити, а уже по ней выставлять сами листы материала.

Особое внимание при монтаже профилированного материала на крышу надо уделить местам примыкания профнастила с другими элементами кровли. К примеру, с трубами печей или вентиляции, со стенами соседних помещений. В этом плане надо позаботиться о герметизации мест примыкания и защитой их отдельными планками. Для герметизации обычно используются специальные самоклеящиеся ленты или битумные мастики. Нередко для этих целей используется силиконовый герметик.
На участках примыкания необходимо устанавливать фасонные планки, изготовленные из листового железа. Их обычно два вида: внутренняя, которая укладывается под профнастил, и внешняя, укладываемая поверх кровельного материала. Обе планки крепятся к несущим поверхностям, редко к профнастилу. Под них обязательно монтируется обрешетка, которая облегает периметр трубы или плоскость поднимающейся соседней стены.
Тонкости монтажного процесса
Очень часто можно в публикациях встретить момент, касающийся гидроизоляционного слоя, который укладывается под кровельные листы профнастила. Насколько эта операция необходима? Если говорить о покрытии крыши листами во всю длину, то есть, одна панель профнастила сразу закрывает весь скат, то гидроизоляция в данном случае не нужна. Это же самое касается крыш, на которых нет дополнительных элементов, создающих места примыкания. Если покрытие ската производится в несколько рядов, то без гидроизоляционного материала не обойтись. Это своеобразная дополнительная защита, которая гарантирует непроникновение влаги во внутренние помещения дома. Потому что всегда есть вероятность, что через стыки листов при неправильном подходе к монтажу может произойти протечка.

Процесс крепления профнастила к элементам обрешетки также требует особого подхода.
- Во-первых, для этого используются саморезы для профнастила. Они снабжены пресс-шайбой и резиновой прокладкой. Сегодня можно крепеж подобрать точно в цвет кровельному материалу, так что на крыше их видно не будет.
- Во-вторых, нельзя допустить, чтобы саморез прижимался к листам с усилием. Есть вероятность, что порвется резиновая прокладка. Но нельзя допускать, чтобы плотность прижатия была малой. Это зазор между профнастилом и резиной, который приведет к протечки.
- В-третьих, крепить профнастил надо только через нижнюю его волну.
- В-четвертых, по краю карниза и по коньку саморезу устанавливаются в каждую волну. Остальные крепежные изделия можно устанавливать в шахматном порядке через волну или две.
- В-пятых, это строгое соблюдение направленности установки. Саморез должен вкручиваться перпендикулярно плоскости крепления.
- В-шестых, обычно на один квадратный метр профилированного листа уходит 5-8 саморезов.

Обобщение по теме
Зная о том, как правильно выбрать и положить профнастил на крышу частного дома, можно придать кровельной конструкции хорошие прочностные характеристики, а также провести монтажный процесс в быстрые сроки. Практика показывает, что покрытие может быть установлено за один рабочий день двумя работниками, если крыша имеет не очень большие размеры.
bouw.ru
Как выбрать профнастил для крыши частного деревянного дома и дачи: Оптимальная толина +Видео
Обычно строительные материалы нового поколения предназначаются для конкретного применения. Как раз при таком использовании они проявляют все свои рабочие свойства. Профилированный металлический лист является исключением из правил.
На сегодня это один из качественных универсальных материалов.
Наряду с другими видами кровельных материалов, одинаково успешно профнастил можно применять для:
Обширная сфера использования стала причиной появления огромного количества различных марок профнастила, имеющих существенные различия друг от друга. Чтобы разобраться в их многообразии и сделать правильный выбор в каждой конкретной ситуации, нужно хорошо понимать, чем именно отличаются различные марки профлиста.
Профнастил для кровли: виды, марки

- толщина и вес одного квадратного метра материала;
- вид защитного покрытия и его качество;
- тип профиля поверхности и его высота;
- цвет покрытия.
Стандарты для производства кровельного профнастила
Торговля сегодня предлагает изделия самых разных производителей – мелких и крупных. Многие из них разработали для собственной продукции свои технические условия.
Стоит принять во внимание, что самый лучший материал производится по ГОСТу 24045-94!
Данный стандарт строго регламентирует:
- геометрические размеры материалов различных видов;
- требования к качеству продукции;
- качество использованного сырья;
- способ маркировки готовой продукции;
- требования к транспортировке, хранению и упаковке готового материала.
Какие маркировки профнастила бывают?
НС – стеновой и несущий профнастил;
МП – волнообразный профнастил;
С – профнастил стеновой;
Н – профнастил несущий.
Очень удобно то, что подобную маркировку используют практические все изготовители. По ней видно, что материал «НС» и «Н» более всего подходит для покрытия кровли.
Маркировка по ГОСТу 24045-94
По означенному ГОСТу все виды профнастилов можно подразделить на следующие:
- маркируемый буквой «С» стеновой профнастил;
- маркируемой индексом «Н» профилированный лист из металла, обладающий повышенной несущей способностью;
- обозначенный символами «НС» профилированный универсальный лист, который можно успешно использовать при изготовлении вертикальных и горизонтальных конструкций.
Раздумывая, какой профнастил выбрать для крыши, желательно обратить внимание на марки «НС» и «Н». Эти две марки профнастила для крыши имеют ту самую высоту и форму профиля, которые обеспечивают кровле высокую несущую способность. Она имеет большое значение для тех крыш, что часто подвергаются высоким статичным нагрузкам (от большой массы снега, например). Максимальная несущая способность обеспечивается особой конфигурацией и размером волн. Нередко такие марки профнастила оснащают специальными ребрами жесткости: они увеличивают продольную жесткость, тем самым повышая несущую способность покрытия.
Как правильно выбрать профнастил?
Грамотный выбор профнастила для крыши существенно зависит от ее конструкции.
На что влияет уклон кровли и толщина металла
Немалое значение имеет уклон кровли.
Чем меньше его показатель, тем большую массу придется выдерживать покрытию.
Другими словами, эксплуатационные качества кровли определяют выбор марки профнастила для покрытия крыши.
Если крыша с большим уклоном

Однако эта марка является одной из самых недорогих, и обычно ее применяют для сайдинга. Надо сказать, что такой выбор поможет вам значительно сэкономить финансово. Главное, помнить, что ее допустимо приобретать для небольшой площади крутой кровли в регионе без сильных ветров.
Если уклона нет — крыша плоская
В том случае, когда нужно покрыть плоскую крышу, активно эксплуатируемую кровлю, потребуется материал с дополнительными ребрами жесткости Н-75 или Н-60. Крыша из такого материала отлично выдержит не только массу выпавшего снега, но и вес забравшегося на нее человека.
На что влияет толщина металла
Кроме прочих параметров, при выборе материала для покрытия крыши следует учитывать толщину металла. От ее показателя, в частности, зависит срок эксплуатации покрытия.
Признано, что утолщение настила всего на 0,1 мм примерно на пять лет увеличивает срок службы покрытия крыши.
От этого показателя также зависит несущая способность материала.
Изменяя ширину и толщину листа профнастила, можно достичь фактически трехкратной разницы в максимальной нагрузке для одной и той же модели покрытия. Особенно большое значение это имеет в том случае, когда крыша имеет большую площадь. Ведь от того, какой конкретно профнастил будет использован, зависит окончательная стоимость всего перекрытия.
Обычно для крыши, наряду с несущей способностью, важна так же и ее герметичность. Этот критерий тоже следует учитывать при выборе подходящей марки. Если имеется такая возможность, то лучше выбрать лист с капиллярной сеткой по самому его краю. Тогда при нахлесте всего в одну волну вполне можно обойтись без герметизации стыков.
Если вам предстоит выбрать материал для крыши с большим расстоянием между отдельными опорами и маленьким уклоном, важно узнать, обладает ли профиль так называемыми ребрами жесткости. Они действительно улучшают несущие возможности профиля.
Какой срок службы предполагается?
Металлический профлист изготавливают из тонколистовой холоднокатаной стали, на которую нанесено цинковое гальваническое покрытие. Толщина слоя цинка служит определяющим моментом для надежности такого покрытия.
Производители металлопроката изготавливают стальной лист с различной толщиной покрытия: возможная толщина цинка от 100 до 300 грамм на один квадратный метр. Поэтому при выборе профлиста стоит поинтересоваться, насколько металл, использованный для его изготовления, соответствует стандартам.
Но нужно знать, что оцинковка – это самый недолговечный и примитивный способ защиты от коррозии. Такой оцинкованный профнастил обычно используют для хозблоков, временных построек и ограждений.
В большинстве случаев для крыши используют более долговечный лист, имеющий защитно-декоративное полимерное покрытие. Разумеется, цена его гораздо выше, но он выполняет не только декоративную функцию.
Защита металла полимерами
Полимер, входящий в состав покрытия, гарантирует поверхности металла дополнительную защиту: такой профнастил может служить вдвое дольше. Поэтому для качественного покрытия крыши лучше подойдет этот вариант.
Структура полимерного покрытия
Профилированный лист может иметь различные типы полимерного покрытия. Чаще всего применяют пластизол, ПВДФ, полиэстер и пурал.
Чтобы правильно определиться с выбором, нужно прежде разобраться в характеристиках и отличиях данных покрытий.
Пластизол
Это добавление различных пластификаторов в поливинилхлорид, в результате чего образуется довольно плотная смесь. Такое покрытие имеет существенную толщину, с его помощью можно очень натуралистично воспроизводить фактуру природных строительных материалов. Пластизол необычайно стоек почти ко всем внешним воздействиям.
ПВДФ
Покрытие поливинилдифторидно-акриловой (ПВДФ) краской стали применять не так давно. Его отличает чрезвычайная устойчивость к действию различных агрессивных сред и к жесткому ультрафиолету.
Полиэстер
Покрытие профилированного металлического листа специальной полиэфирной краской называется полиэстером. Такое покрытие является, пожалуй, самым бюджетным. Его наносят слоем в 20-30 мкм, он может быть матовым или глянцевым. Оно обладает неплохой устойчивостью к перепадам температур и к действию ультрафиолетового излучения. Но так как толщина защитного слоя слишком небольшая, его нужно оберегать от грубых механических повреждений.
Пурал
Пуралом называют нанесение слоя полиуретано-полиамидного красителя, который придает поверхности матово-шелковистую структуру. Пураловое покрытие наносят слоем до 200 мкм толщиной: оно обладает высокой стойкостью к химическому и механическому воздействию.
Выбор материала в зависимости от климата
Профнастил для крыши необходимо выбирать в соответствии с климатическими условиями вашего региона, а также предполагаемого срока его службы. Например, для расположенного на побережье жилища желательно приобретать профнастил, способный противостоять средам с повышенной агрессивностью.
Для простого загородного строения, находящегося в климате средней полосы, вполне подойдет профлист с пластизолом или полиэстером в качестве покрытия. Пурал в данном случае окажется неоправданно дорогим, так как в его применении нет необходимости.
Другими словами, при выборе кровельного профнастила следует учитывать множество различных факторов. К ним относится, в том числе, и климат местности, где будет проводиться строительство, и планируемый тип здания, его назначение и срок использования.
9 лучших строительных и мебельных магазинов!
- Parket-sale.ru- Огромный ассортимент ламината, паркета, линолеума, ковролина и сопутствующих материалов!
- Akson.ru- это интернет-гипермаркет строительных и отделочных материалов!
- homex.ru- HomeX.ru предлагает большой выбор качественных отделочных, материалов, света и сантехники от лучших производителей с быстрой доставкой по Москве и России.
- Instrumtorg.ru – это интернет – магазин строительного, автомобильного, крепежного, режущего и другого инструмента, необходимого каждому мастеру.
- Qpstol.ru — «Купистол» стремится предоставить лучший сервис своим клиентам. 5 звёзд на ЯндексМаркет.
- Lifemebel.ru- гипермаркет мебели с оборотом более 50 000 000 в месяц!
- Ezakaz.ru- Представленная на сайте мебель изготавливается на собственной фабрике в Москве, а так же проверенными производителями из Китая, Индонезии, Малайзии и Тайваня.»
- Mebelion.ru- – крупнейший интернет-магазин по продаже мебели, светильников, интерьерного декора и других товаров для красивого и уютного дома.
domsdelat.ru
Кровля крыши профнастилом своими руками
Данная статья пригодится тем, кто хочет сделать крышу из профнастила своими руками. Мы дадим пошаговую инструкцию, которая поможет вам сделать покрытие крыши самостоятельно, не тратя лишние деньги на наемных рабочих.

Кровля крыши профнастилом своими руками
- Если наклон крыши больше 15 градусов, листы профнастила следует класть друг на друга внахлест, который составит 200 мм.
- Если уклон от 15 до 30 градусов, нахлест нужно делать такой же или на 50 мм меньше.
- Желательно использовать силиконовые герметики, особенно если уклон крыши до 20 градусов.
Перед тем как начать укреплять листы профнастила на крыше, нужно сделать обрешетку.
Удобнее всего выполнить ее из деревянных брусков. Их легче монтировать, а цена их значительно ниже металлических аналогов.
Для изготовления обрешетки можно использовать брусья из ольхи, дуба, осины, ели или сосны. Перед тем как начать монтаж брусьев, их нужно обработать антисептиком для того, чтобы в дальнейшем на крыше не появился грибок. Также доски нужно пропитать огнеупорным составом. На этом этапе строительства можно смонтировать специальные мембраны, которые будут защищать от пара и проникновения влаги.
Начало монтажа
Для начала нужно установить верхние и нижние брусья, располагающиеся поперек. Собирать конструкцию можно гвоздями или саморезами, если в нее включены элементы из металла. Если брусья придется крепить к бетону, то можно использовать дюбель-гвозди. Удобнее всего начинать монтаж снизу, постепенно поднимаясь вверх. Шаг между брусьями не должен быть больше 50 см.
Пароизоляция
Пароизоляция делается обычно на крыше здания, которое будет отапливаться. Она служит для того, чтобы влага не скапливалась под крышей. Чаще всего пароизоляция представляет собой специальную пленку, которая имеет специальные мембраны, препятствующие проходу влаги и выпускающие пар. Эта пленка монтируется до того, как вы приступите к укладке профлиста. Листы пароизоляции кладут внахлест, прилепляя к крыше специальными саморезами. Можно сделать напуск на стену.

Схема крепления обрешетки
Когда обрешетка будет готова, и изоляция сделана, можно монтировать листы профнастила.
Что такое профнастил?
Это штампованные листы стали, покрытой цинком. Они довольно легкие, способны гнуться, но при этом прочны. Благодаря этим качествам листы отлично подходят для крыши. Профнастил годится для любых типов крыши вне зависимости от того, сколько скатов имеет крыша и какой у нее уклон. Им можно накрывать жилые и хозяйственные помещения.
Листы профнастила выпускаются различные. Они имеют разные ребра и могут быть покрыты специальной эмалью, а могут быть без нее. Не забудьте сделать так, чтобы пленка немного провисала. Это нужно для возможности вентилировать помещение.Пленку лучше брать такую вместе с которой можно будет применять битумную мастику.
Если вы используете рулонные материал – ничего страшного, но листы нужно будет очень плотно разместить по отношению к нему. Укладку материала нужно будет делать перпендикулярно относительно расположения листов профнастила.
Как монтируется крыша из профнастила?
Прежде чем начинать работу, нужно позаботиться о своей безопасности, так как работа происходит на высоте. Для того чтобы исключить несчастные случаи, нужно:
• Применять тросы для страховки и использовать специальные пояса для монтажа.
• Если уклон кровли большой, нужно сделать защитное ограждение.
• Используйте обувь, подошва которой не скользит.
Не монтируйте листы в дождь, они могут стать очень скользкими.
• Обувь не должна иметь жестких элементов. Наступая на листы, вы можете повредить их защитное покрытие. По возможности не наступайте на них.
Поврежденное покрытие можно покрыть составом, который продается в строительных магазинах для восстановления защитного покрытия листов.
Непосредственно монтаж
Чаще всего листы профнастила крепятся друг к другу специальными саморезами, которые имеют широкую шляпку с прорезиненной юбкой. Если вы используете гвозди, то они должны быть специальными: их отличает широкая шляпка и юбка из резины. Она нужна для того, чтобы металлическое тело гвоздя не поцарапало лист профнастила, а также для того, чтобы препятствовать попаданию влаги в отверстие. Прокладка может быть выполнена из полимеров, но резиновая считается более надежной. Лучше всего обработать место, куда вкручен саморез или вбит гвоздь. герметиком. То же делается и со швами, которые образуются от наложения листов профнастила друг на друга. Делается это с той целью, чтобы влага не могла попасть под листы даже на молекулярном уровне.
Если лист профнастила слишком большой и не подходит по размеру, лишнее можно отрезать при помощи ножовки по металлу. Можно использовать ножницы по металлу, но отрезать ими аккуратно получается редко. Ножницами удобно резать мелкие детали, но не большой лист. Отлично, если вы имеете в своем распоряжении электрический резак. Им можно быстро отрезать идеально ровные куски, предав листу необходимую форму. Также для этой цели подойдет дисковая пила, но нужно правильно подобрать диск.
При разрезании листа не используйте болгарку. Эта пила слишком сильно разогревает материал профнастила, в результате чего сталь делается хрупкой и со временем может начать ржаветь. Используя этот инструмент, вы разрушите защитный слой листа и испортите нанесенный заводом слой изоляции. Это приведет к тому, что профнастил быстро выйдет из употребления, и вам придется ремонтировать крышу, которая начнет протекать.
Точка крепления листов
Как крепить листы профнастила друг к другу?
Схема крепления профнастила друг к другу
Начните монтаж с нижнего угла торца крыши. Нижний ряд укладывается таким образом, чтобы его края свисали с крыши примерно на 4 см. Крепится первый ряд саморезами. Точка, куда нужно вкручивать саморез – дно волны. Вкручивайте саморезы в волны через одну.
При работе с боками здания нужно использовать ветровые уголки, которыми зашиваются доски с торца. Монтировать листы можно как вдоль, так и поперек, это зависит от того, какой способ удобнее лично для вас. Бока нужно зашить специальным листом, после того как вы уложите весь ряд. Все листы профнастила следует укладывать внахлест.
Если направление листов вертикальное, то верхний лист должен закрывать нижний не менее, чем на 20 см. Если шаг волны не позволяет это сделать, нужно сделать внахлест больше, но таким образом, чтобы волны совпали.
При горизонтальном размещении листов профнастила лист, располагающийся сверху, должен перекрывать нижний лист на длину волны. Если вы пользуетесь прокладкой-уплотнителем, то лучше перекрыть на длину двух волн.
Если угол уклона кровли превышает 16 градусов, необходимо пользоваться уплотнителем.
Что такое уплотнитель?
Это специальная прокладка, которая нужна для того, чтобы между листами профнастила не забивался снег. Также она защищает от ветра и дождя. Смысл в том, что уплотнитель заставляет листы профнастила плотно прилегать к обрешетке. Уплотнители продаются готовые. Выбирать их нужно относительно формы волны вашего профнастила.

Уплотнитель для профнастила — фото
Как правильно закрепить листы профнастила на крыше?
Укладку листов следует начинать от края. От центра кромки крепится один лист при помощи саморезов. Лучше пока закрепить его на один саморез. Это делается с той цель, чтобы иметь возможность поправить листы. Следующие листы крепятся на него с нахлестом и тоже фиксируются одним саморезом. Это делается с той целью, чтобы можно было поправить ряд, если он получится неровным. Затем можно закрепить листы надежно.
После того как ряд поправлен, нужно закрепить листы по гребню волны, а стыки крепятся одним саморезом на два листа. Это делается в каждом углублении волны.
Крепление первого листа делается следующим способом: продольное соединение выполняется по гребню волны, шаг составляет 500 мм, а вертикальные стыки крепятся в каждом дне волны.

Схема крепления профнастила на крыше
Места, в которые вкручиваются саморезы, обозначены на рисунке.
На один метр в квадрате у вас уйдет около пяти саморезов. Этот расход является наиболее оптимальным.
Монтаж коньковой и торцевой планки следует выполнять только после того, как будет надежно закреплено основное полотно.
Кровельный саморез -фото
Сложнее всего монтировать профнастил в местах соприкосновения со стеной. Эта часть работ выполняется в последнюю очередь, как и монтаж дымоходов.
Обратите внимание на то, как закручен саморез. Не оставляйте его болтаться свободно, однако следите за тем, чтобы он не прогибал лист. Правильное расположение самореза изображено на картинке.
Видео — кровля крыши профнастилом своими руками
stroyvopros.net
Крыша из профнастила — кровля для вашего дома
Крыша служит нашему дому не только защитой, но и украшением. Поэтому является одним из тех архитектурных элементов, который для своего правильного выбора требует всестороннего изучения. Здесь нам приходится оценивать и взвешивать самые разные факторы: тип крыши, стоимость материалов и работ, срок службы, особенности монтажа и ухода, применение тепло- и гидроизоляционных материалов, материал и цвет, из которых будет кровля, общий вес, а также еще ряд других. И в результате их верный учет, правильная оценка и нахождение оптимального сочетания приводят нас к желанному результату: наш дом становится защищен красивым «головным убором», который отныне будет радовать нас своим видом долгие годы и десятилетия.

Крыша из профнастила имеет преимущество в своей износостойкости, устойчивости погодным условиям, и легкому монтажу конструкции.
Один из видов крыши, который заслуживает нашего внимания, — это крыша из профнастила. Она сочетает в себе оптимальный баланс лучших качеств и характеристик, благодаря чему сегодня эта кровля стала одной из самых популярных. К тому же обустроить ее может любой, кто научился держать в руках инструмент. Поэтому ниже будет рассказано все то, что познакомит домовладельца с этим типом крыши и ее особенностями и тем самым поможет в его выборе.
Материалы для крыши
Прежде всего познакомимся ближе с самим профнастилом. Он представляет собой тонкий профилированный лист стали толщиной 0,4-1,0 мм с защитно-декоративным покрытием из полимера или оцинковкой. Его размеры будут зависеть от марки: ширина — от 600 до 1250 мм, длина — более 3 м, а высота гофры — от 20 до 75 мм. Если в атмосфере нет каких-либо агрессоров: химикалиев, соленой воды, — то срок службы профлиста составит 20-25 лет, а гарантийный срок — до 10 лет. Кровля крыш чаще всего покрывается марками Н60, Н75 и НС35.
Приобретать профнастил лучше из материала крупных мировых производителей, требуя при этом сертификат.
В качестве гидроизоляции для крыши из профлиста применяется рубероид, полиэтилен или мембранная пленка. Последняя лучше подойдет для тех зданий, у которых предполагается длительный срок службы. Крыши под профнастил нуждаются в теплоизоляции, ее создают при помощи минеральной ваты или базальтовых плит. Креплением для профнастила служат специальные самонарезающие винты, их используют вместе с уплотнительной шайбой из неопрена. В некоторых случаях для повышения гидрозащиты может применяться герметик.

Виды профнастила: стеновые и кровельные
Для проведения работ вам понадобится:
- ножовка по дереву;
- молоток;
- гвозди;
- нож;
- электродрель;
- твердосплавная дисковая пила;
- резиновый молоток;
- плоскогубцы;
- кисть.
«Кровельный пирог»
Из перечисленных материалов монтируется то, что строители называют «кровельный пирог», когда собираются все слои крыши из профнастила. Его основа — контробрешетка, которую монтируют поверх стропильной системы. Следующий слой — пароизоляционная мембрана, она будет служить подложкой утеплителю. Далее идет сам утеплитель. Его толщина должна быть не менее 15 см, чтобы создать достаточный уровень звукоизоляции, ведь эта кровля, как и все металлические, довольно «шумная». Поверх утеплителя укладывается гидроизоляционная мембрана, ее задача — продлить срок эксплуатации крыши и защитить ее от конденсата, который образуется из-за разницы внешней и внутренней температур и может вызывать коррозию. После гидроизоляции монтируется обрешетка, на которую будет крепиться сам профилированный лист. Инструкция, по которой собирается каждый слой, очень проста.
Следует также отметить, что у крыши под профнастил должен быть уклон больше 12°, а конструкция обрешетки будет зависеть и от конструкции крыши, и от угла ее наклона. Для односкатной применяются деревянные бруски с сечением 3×7 см, 3×10 см или 5×5 см и шагом в 250 мм. Если скат крыши менее 15°, то обрешетка должна быть сплошной из фанеры, досок или OSB-плит. Для двускатных кровель у обрешетки шаг в 50 см и более.
Особенности монтажа крыши из профлиста
Как уже упоминалось, покрыть крышу профнастилом может и непрофессиональный строитель: монтаж настолько прост, что для него не требуется какая-то особая инструкция. Вместе с тем следует помнить, что срок эксплуатации крыши будет зависеть от соблюдения простых правил ее сборки. В частности, недопустимо применение инструмента, который создает искры, — они повредят полимерное покрытие. Работу лучше выполнять в мягкой обуви. А винты должны заходить строго перпендикулярно поверхности — это позволит прокладке создать максимальную защиту от влаги. При этом винт должен хорошо прижимать прокладку, но и не сплющивать ее. А чтобы продлить срок службы профнастила, места срезов листа следует закрашивать.
Монтируются листы одним из трех способов. Каждый из них прост и выбирается в зависимости от типа, который имеется у крыши под профнастил. Поднимают листы на крышу по деревянным лагам изнаночной стороной, это предотвращает их повреждения.

Схема кровльного пирога.
В заключение перечислим основные достоинства и недостатки профилированного листа и крыши из этого материала. К достоинствам можно отнести:
- легкость листа и отсутствие необходимости в сложной стропильной системе;
- прочность;
- широкий ассортимент видов и расцветок профиля;
- кровля подойдет для самых разных климатических зон;
- возможность провести монтаж в короткий срок и в холодное время;
- крышы под профнастил не всегда требуют демонтажа старой кровли;
- ремонтопригодность;
- экологическая безопасность.
К слабым сторонам относится:
- повышенная шумность во время града и дождя;
- появление коррозии при нарушении защитного покрытия;
- теплопроводность и необходимость из-за этого в теплоизоляции;
- необходимость в гидроизоляции из-за конденсата.
Проанализировав и взвесив вышеизложенное, возможно, вы придете к тому же выводу, что и огромное число домовладельцев: этот вид крыши станет для вашего дома именно тем оптимальным решением, какое вы искали.
Похожие статьи1profnastil.ru
Крыша из профнастила

Качественное кровельное покрытие обеспечивает комфортное проживание в доме, оберегает строение от протечек и украшает его внешний вид. Крыша для дома из профнастила имеет долгий срок службы, надежная и считается экологически чистой.
Особенности материала
Профиль производится из листов оцинкованной стали методом катания. В процессе выпуска его покрывают несколькими защитными прослойками. Лучший профнастил для крыши обрабатывается антикоррозийным составом, посте этого грунтуется. Затем нижняя часть обрабатывается специальным лаком, а наружная – покрытием из полимеров.
Оцинковка материала дает возможность избежать появления ржавчины.
Чтобы придать профлисту привлекательный вид в полимерное покрытие включаются красители и присадки, одновременно защищающие материал.
Трапециевидная или волнообразная форма металлического листа делается при помощи особого листогиба, который может делать разную высоту и форму изгибов.
Выпускается профнастил отдельно для стен и для кровли. Кровельный лист намного прочнее, он имеет большую толщину, антикапилярные пазы и добавочные ребра жесткости.
Кровля крыши профнастилом
Чтобы смонтировать правильную крышу из профнастила, перед началом покрытия нужно монтировать вентиляцию, гидроизоляцию и установить обрешетку. На стропила ложится гидроизоляционный слой, сверху – контробрешетка. Она обеспечивает воздушную подушку между окончательным покрытием и изоляцией.
Материал имеет небольшой вес, поэтому усиленных конструкций крыши для него не требуется. Угол наклона каркаса выбирается из эстетических предпочтений хозяина. Профнастил успешно применяется для скатных крыш с углом более 12 градусов. Кровлю каркаса с небольшим наклоном также можно осуществить металлическим профилем, но требуется дополнительно нахлесты прорабатывать герметиком.
Листы кладутся снизу вверх, одновременно отслеживается параллельность нижнего ряда материала к карнизу. Профнастил укладывается внахлест. Для крепления используются саморезы под цвет материала с резиновыми прокладками на шляпках, защищающих от ржавчины. Они вкручиваются в нижний гребень волны. Для обрезки листов используются ножницы по металлу либо электролобзик.
Укладка листов профнастила может производиться с использованием синтетических уплотнителей, изготовленных в соответствии с изгибами в листах. Они дают возможность понизить шумность металлической крыши и увеличить теплоизоляцию кровельного пирога. В дополнение к листам приобретаются торцевые элементы и коньковые планки такого же цвета. Для облицовки дымоходов и разных выступающих поверхностей с внутренними углами используются планки примыкания, место их контакта со стеной обрабатывается герметиком. С помощью дополнительных элементов закрываются все стыки на скатах и края крыши. Использование таких деталей придает крыше завершенный, компактный вид и защищает швы от попадания влаги.
Приемлемая цена, большой выбор цветовых вариантов и простота укладки делают профнастил популярным в частном и промышленном строительстве.
Профилированный лист из металла устанавливается для оформления кровли на домах со скатными крышами любой сложности, на хозяйственных объектах, беседках, террасах.
Современный профнастил – многослойный материал, который позволяет крыше избежать всех сюрпризов погоды. Покрытие кровли листами обеспечит ей надежную защиту и дополнит архитектурный стиль здания яркой привлекательной кровлей. Такое покрытие – один из наиболее доступных и простых способов обустройства кровли в строительстве.
womanadvice.ru